Em sua maioria, os equipamentos eletrônicos domésticos demandam baixa potência elétrica em corrente contínua. Para alimentá-los, uma fonte externa ou embutida transforma a corrente alternada em corrente contínua de baixa tensão. Entretanto, cada equipamento tem suas especificidades, e muitas vezes não é possível simplesmente trocar essas fontes sem levar em conta a tensão, a corrente ou a potência elétrica de saída.
Considere um equipamento de resistência elétrica Rc que funciona corretamente apenas em um dado valor de tensão. Porém, a única fonte de alimentação disponível fornece uma tensão 20% superior à tensão recomendada. Para adaptar essa fonte ao aparelho, a associação de um resistor de proteção Rp de potência adequada, se faz necessária.
A configuração adequada do circuito e o valor do resistor de proteção, em relação ao valor da resistência do equipamento, são:
A)

B)
C)
D)
E)
✍ Resolução Em Texto
- Matérias Necessárias para a Solução da Questão:
- Eletrodinâmica (Leis de Ohm)
- Eletrodinâmica (Associação de Resistores em Série e Paralelo)
- Matemática (Álgebra, Proporção)
- Tema/Objetivo Geral: Projetar um circuito divisor de tensão usando um resistor em série para adequar uma fonte de tensão a um aparelho com especificações menores.
- Nível da Questão: Difícil.
- A questão é conceitualmente desafiadora. Primeiro, ela exige que o candidato entenda a função de um circuito divisor de tensão, escolhendo corretamente a associação em série (e não em paralelo), o que já é um ponto de erro comum. Segundo, a resolução exige uma manipulação algébrica das Leis de Ohm para encontrar a proporção correta entre as resistências, o que pode ser complexo.
- Gabarito: E
- Para dividir a tensão, os resistores devem ser associados em série. Se a fonte tem 1,2 vezes a tensão correta (V_c), o resistor de proteção (R_p) deve “consumir” os 0,2 V_c extras. Como a corrente é a mesma em ambos, pela Lei de Ohm (V=RI), a razão entre as tensões é igual à razão entre as resistências. Portanto, R_p deve ser 0,2 vezes a resistência do equipamento (R_c).
PASSO 1 – O QUE A QUESTÃO QUER? (O MAPA DA MINA)
Decodificação do Objetivo: Em bom português, a missão é: “Temos uma fonte que entrega 20% a mais de voltagem do que nosso aparelho aguenta. Precisamos adicionar um segundo resistor (Rp) para ‘roubar’ esse excesso de voltagem. Como devemos ligar esse resistor (em série ou em paralelo) e qual deve ser o valor dele em comparação com a resistência do aparelho (Rc)?”
Simplificação Radical (A Analogia Central): Pense na voltagem como a pressão da água de uma mangueira. Nosso aparelho (Rc) é um regador delicado que só funciona com uma pressão específica. A fonte que temos é uma mangueira com uma pressão 20% mais forte, que quebraria o regador. Precisamos colocar um “redutor de pressão” (o resistor Rp) no caminho. Onde o colocamos? Antes do regador, na mesma linha, para que ele “absorva” parte da pressão e entregue a pressão correta para o regador. Colocá-lo em paralelo seria como criar um desvio: a pressão total ainda chegaria no regador. Portanto, a ligação deve ser em série. Nossa tarefa é descobrir o “tamanho” exato desse redutor de pressão.
Plano de Ataque (O Roteiro da Investigação):
- Escolher a Arma Certa (Série vs. Paralelo): Vamos primeiro decidir qual tipo de associação cumpre a missão de dividir a tensão.
- Mapear as Tensões: Vamos definir a tensão da fonte, a tensão necessária no aparelho (Vc) e a tensão que o resistor de proteção (Vp) precisa “roubar”.
- Aplicar a Lei de Ohm: Usaremos a lei fundamental da eletricidade para conectar tensão, corrente e resistência.
- Resolver o Caso: Com a física e a matemática, vamos calcular a relação exata entre Rp e Rc.
PASSO 2 – DESVENDANDO AS FERRAMENTAS (A CAIXA DE FERRAMENTAS)
Para este caso, a melhor ferramenta é uma Tabela Comparativa de Associações, que nos mostrará qual circuito serve para qual função.
| Tipo de Associação | Circuito em PARALELO | Circuito em SÉRIE |
| Como é Ligado? | Os componentes estão em “andares” diferentes. A corrente se divide. | Os componentes estão um após o outro, na mesma “rua”. A corrente é a mesma para todos. |
| Tensão (Voltagem) | A tensão é A MESMA para todos os componentes. | A tensão total da fonte é DIVIDIDA entre os componentes. |
| Corrente | A corrente total se DIVIDE entre os componentes. | A corrente é A MESMA para todos os componentes. |
| Função Principal | Divisor de Corrente. Usado para ligar vários aparelhos na mesma tomada, onde todos precisam da mesma voltagem (110V ou 220V). | Divisor de Tensão. Usado para distribuir a voltagem de uma fonte entre vários componentes. |
Conclusão Forense: A nossa missão é dividir a tensão da fonte. A tabela mostra inequivocamente que a única ferramenta para isso é a ASSOCIAÇÃO EM SÉRIE. Com essa conclusão, as alternativas A e B já estão eliminadas.
PASSO 3 – INTERPRETAÇÃO GUIADA (MÃO NA MASSA)
Agora que sabemos que o circuito deve ser em série, vamos aos cálculos.
- Mapeando as Tensões:
- Tensão correta para o equipamento: Vamos chamá-la de Vc.
- Tensão da fonte disponível: É 20% superior, ou seja, 1,2 Vc.
- O circuito em série deve “dividir” a tensão da fonte (1,2 Vc) entre o aparelho (Rc) e o protetor (Rp).
- O aparelho deve receber Vc.
- Portanto, o resistor de proteção (Rp) deve “roubar” o excesso: Vp = 1,2 Vc – 1,0 Vc = 0,2 Vc.
- Aplicando a Lei de Ohm em Série:
- A grande pista do circuito em série é que a corrente (I) é a mesma para ambos os resistores.
- Para o aparelho (Rc): Vc = Rc × I
- Para o protetor (Rp): Vp = Rp × I
- Resolvendo o Caso:
- Agora temos um sistema de equações. Vamos dividir a segunda pela primeira:
(Vp / Vc) = (Rp × I) / (Rc × I) - A corrente (I) é a mesma, então podemos cortá-la:
(Vp / Vc) = (Rp / Rc) - Agora, vamos substituir os valores de tensão que encontramos:
(0,2 Vc / Vc) = (Rp / Rc) - Cortamos Vc dos dois lados:
0,2 = Rp / Rc - Isolando Rp, temos a resposta final:
Rp = 0,2 Rc
- Agora temos um sistema de equações. Vamos dividir a segunda pela primeira:
Conclusão da Investigação: A configuração correta é um circuito em série com um resistor de proteção (Rp) cujo valor é 0,2 vezes o da resistência do equipamento (Rc).
🚨 ARMADILHA CLÁSSICA! 🚨
CUIDADO! O erro mais comum aqui é confundir as associações. Como mencionado, ligar em paralelo (alternativas A e B) faria com que a tensão total da fonte (a voltagem errada de 1,2 Vc) chegasse diretamente ao aparelho, queimando-o. Outro erro, já na associação em série, é confundir os cálculos e achar que Rp deve ser 1,2 Rc ou 2,2 Rc. A lógica é que o resistor protetor só precisa dissipar o excesso (os 20%, ou 0,2), e não a tensão inteira.
A Bússola (O Perfil do Culpado):
- Síntese do raciocínio: A investigação mostrou que a associação deve ser em série para dividir a tensão. O resistor de proteção deve dissipar 0,2 Vc, enquanto o aparelho dissipa Vc. Como a corrente é a mesma, a razão das resistências (Rp/Rc) deve ser igual à razão das tensões (0,2 Vc / Vc), resultando em Rp = 0,2 Rc.
- Expectativa: A alternativa correta deve mostrar um circuito em série com Rp = 0,2 Rc.
PASSO 4 – ALTERNATIVAS COMENTADAS (A AUTÓPSIA)
Vamos agora realizar a autópsia de cada um dos cinco circuitos suspeitos.
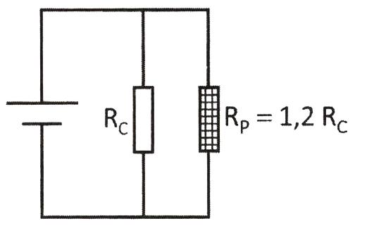
- A) Circuito em Paralelo, Rp = 0,2 Rc
- A “Narrativa do Erro”: O candidato pode ter pensado que, por o excesso ser de 20%, o resistor deveria ter 20% do valor, mas errou completamente o tipo de circuito.
- O “Diagnóstico do Erro”: Erro Conceitual Básico (Tipo de Associação). Em um circuito em paralelo, a tensão é a mesma para todos os componentes. Portanto, tanto o aparelho (Rc) quanto o resistor de proteção (Rp) estariam submetidos à tensão total da fonte (1,2 Vc), e o aparelho queimaria.
- Como poderia estar certa? Esta configuração jamais poderia ser correta para a função de dividir a tensão. Ela poderia ser usada em um problema de divisão de corrente, mas não para o objetivo proposto.
- Conclusão: 🔴 Alternativa incorreta.
- B) Circuito em Paralelo, Rp = 1,2 Rc
- A “Narrativa do Erro”: O candidato não entendeu a função de um circuito divisor de tensão e ainda por cima errou o cálculo da resistência.
- O “Diagnóstico do Erro”: Erro Conceitual Básico (Tipo de Associação). Assim como na alternativa A, a associação em paralelo submeteria o aparelho à tensão incorreta de 1,2 Vc, causando sua queima. O valor da resistência é irrelevante quando o tipo de circuito está errado.
- Conclusão: 🔴 Alternativa incorreta.
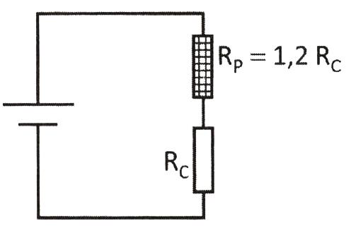
- C) Circuito em Série, Rp = 1,2 Rc
- A “Narrativa do Erro”: O candidato acertou que a associação deve ser em série, mas errou o cálculo, talvez pensando que o resistor protetor deveria ter a mesma proporção da fonte.
- O “Diagnóstico do Erro”: Erro de Cálculo. Se Rp = 1,2 Rc, a tensão seria dividida de forma proporcional. O resistor protetor “roubaria” 1,2 partes da tensão, e o aparelho, 1 parte. A tensão no aparelho seria Vc_final = (Rc / (Rc + 1,2 Rc)) * 1,2 Vc = (1 / 2,2) * 1,2 Vc ≈ 0,55 Vc. O aparelho receberia uma tensão muito menor que a necessária.
- Conclusão: 🔴 Alternativa incorreta.
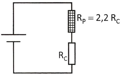
- D) Circuito em Série, Rp = 2,2 Rc
- A “Narrativa do Erro”: O candidato acertou na associação em série, mas errou drasticamente no cálculo.
- O “Diagnóstico do Erro”: Erro de Cálculo. Similar à alternativa C, se Rp = 2,2 Rc, a tensão no aparelho seria Vc_final = (Rc / (Rc + 2,2 Rc)) * 1,2 Vc = (1 / 3,2) * 1,2 Vc ≈ 0,375 Vc. A tensão entregue ao aparelho seria ainda menor e mais incorreta.
- Conclusão: 🔴 Alternativa incorreta.
- E) Circuito em Série, Rp = 0,2 Rc
- Análise de Correspondência: Esta alternativa é o retrato falado da nossa Bússola. Ela apresenta a associação em série, que é a correta para dividir a tensão. E apresenta o valor exato que calculamos, Rp = 0,2 Rc, que garante que o resistor protetor dissipe os 20% de excesso de tensão, entregando a voltagem perfeita para o aparelho.
- Conclusão: 🟢 Alternativa correta.
PASSO 5 – O GRAND FINALE (APRENDIZAGEM EXPANDIDA)
Frase de Fechamento: Confirmamos que a alternativa E é a correta. Este caso é uma aula prática de como o circuito em série, muitas vezes ensinado de forma abstrata, é uma ferramenta de engenharia essencial para controlar e distribuir a tensão em um sistema elétrico.
Resumo-flash (A Imagem Mental): Em série, os resistores são “companheiros de equipe” que dividem o trabalho (a tensão); em paralelo, são “competidores” que recebem a mesma carga.
Para ir Além (A Ponte para o Futuro): O mesmo princípio do divisor de tensão é a base de funcionamento de inúmeros sensores e controles eletrônicos, como os potenciômetros (o botão de volume do seu som) e os LDRs (sensores de luz que acendem postes automaticamente). Um LDR, por exemplo, é um resistor cuja resistência varia com a luz. Ele é colocado em série com um resistor fixo. Quando escurece, a resistência do LDR aumenta muito, fazendo com que a “fatia” da tensão que fica sobre ele também aumente. Um circuito eletrônico detecta essa mudança de tensão e aciona um relé para acender a lâmpada. A lógica de “dividir a torta” da tensão é uma das mais fundamentais de toda a eletrônica.